| Description | Qty | Inst | Exp | Partnumber | R | |
| 1 | Stanchion 634mm | 2 | 31 42 2 331 224 | 1 | ||
| 2 | O-ring | 2 | 31 42 2 330 054 | |||
| 3 | Fillister head M4x10 | 2 | 07 11 9 919 794 | |||
| 4 | Hex nut | 2 | 31 42 2 330 300 | |||
| 5 | Fillister head M8x18 | 2 | 31 42 2 312 711 | |||
| 6 | O-ring | 2 | 31 42 2 312 714 | |||
| 7 | Pipe | 8 | 31 42 2 311 985 | |||
| 8 | Cover | 2 | 31 42 2 330 541 |
| Description | Qty | Inst | Exp | Partnumber | R | |
| 1 | Left fork shell | 1 | 31 42 2 314 503 | 1 | ||
| 2 | Right fork shell | 1 | 31 42 2 314 504 | 1 | ||
| 3 | Hydraulic oil 1000ml | X | 31 42 9 062 158 | |||
| 3 | Hydraulic oil 4000ml | X | 31 42 9 062 159 | |||
| 3 | Hydraulic oil 55 liter | X | 31 42 9 062 593 |
| Description | Qty | Inst | Exp | Partnumber | R | |
| 1 | Upper fork bridge | 1 | 31 42 2 314 505 | 1 | ||
| 2 | Snap ring | 4 | 07 11 9 993 543 | |||
| 2 | Snap ring 26x1,2 | 4 | 31 42 2 331 942 | |||
| 3 | Joint link | 2 | 31 42 2 314 135 | 1 | ||
| 4 | Lock ring | 1 | 31 42 2 314 130 | |||
| 5 | Angular contact ball bearing, radial 47x20x20,6 | 1 | 31 42 2 314 725 | 1 | ||
| 6 | Guide pin | 1 | 31 42 2 314 131 | |||
| 7 | Covering cap | 1 | 31 42 2 314 132 | |||
| 8 | Covering cap | 2 | 31 42 2 314 133 | |||
| 9 | Support | 1 | 31 42 2 314 128 |
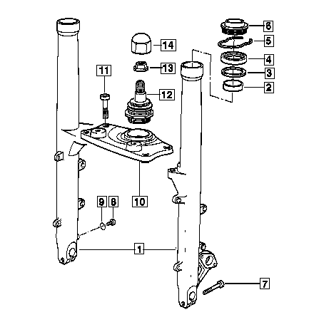
| Description | Qty | Inst | Exp | Partnumber | R | |
| 1 | Left fork slider | 1 | 31 42 2 311 981 | 1 | ||
| 1 | Right fork slider | 1 | 31 42 2 311 982 | 1 | ||
| 2 | Bush | 2 | 31 42 2 311 986 | |||
| 3 | Ring | 2 | 31 42 2 314 630 | |||
| 4 | Shaft seal | 2 | 31 42 2 311 988 | 1 | ||
| 5 | Lock ring | 2 | 31 42 2 311 989 | |||
| 6 | Collar | 2 | 31 42 2 311 980 | |||
| 7 | Fillister head M8x40 | 2 | 31 42 2 312 035 | |||
| 8 | Fillister head M8x18 | 2 | 31 42 2 312 711 | |||
| 9 | O-ring | 2 | 31 42 2 312 714 | |||
| 10 | Lower fork bridge | 1 | 31 42 2 320 047 | 1 | ||
| 11 | Fillister head M8x35 | 4 | 31 42 2 312 034 | |||
| 12 | Ball joint | 1 | 31 42 2 311 409 | 1 | ||
| 13 | Nut | 1 | 31 42 2 330 996 | |||
| 14 | Cover | 1 | 31 42 2 314 711 |
| Description | Qty | Inst | Exp | Partnumber | R | |
| 1 | Silver trailing arm | 1 | 31 42 2 311 849 | 1 | ||
| 1 | Black trailing arm | 1 | 31 42 2 345 526 | 1 | ||
| 2 | Axle | 1 | 31 42 2 314 302 | 1 | ||
| 3 | Hex bolt M12x20 | 1 | 07 11 9 900 029 | |||
| 4 | Spacer | 2 | 31 42 2 314 058 | |||
| 5 | Shaft seal 28x35x4 | 2 | 31 42 2 314 309 | |||
| 6 | Grooved ball bearing 17x40x12 | 4 | 31 42 2 314 308 | |||
| 7 | Screw cap left | 1 | 31 42 2 314 056 | |||
| 8 | Cap right | 1 | 31 42 2 314 303 | |||
| 9 | Lock ring 42x1,75 | 1 | 07 11 9 934 710 | |||
| 10 | Covering cap | 2 | 31 42 2 314 304 | |||
| 11 | O-ring | 2 | 31 42 2 314 981 |
| Description | Qty | Inst | Exp | Partnumber | R | |
| 1 | Front spring strut | 1 | 31 42 2 312 102 | 1 | ||
| 2 | Bush | 2 | 31 42 2 311 994 | |||
| 3 | Pipe | 1 | 31 42 2 311 993 | |||
| 4 | Flat washer 10,5 | 1 | 07 11 9 936 401 | |||
| 5 | Hex nut M10x1,25 | 1 | 07 11 9 900 291 | |||
| 6 | Hex bolt | 1 | 31 42 2 330 372 | |||
| 8 | Self-locking hex nut M10x1,25 | 1 | 07 11 9 915 708 | |||
| 9 | Rubber mounting | 1 | 31 42 2 331 784 |