| Description | Qty | Inst | Exp | Partnumber | ||
| 1 | Intake manifold | 1 | 13 71 1 341 415 | |||
| 2 | Flat washer 6,4 | 1 | 07 11 9 936 440 | |||
| 3 | Fillister head M6x16 | 1 | 07 11 9 901 438 |
| Description | Qty | Inst | Exp | Partnumber | AT | ||
| 1 | Left throttle | 1 | 7/96 | 13 54 1 341 685 | 1 | ||
| 1 | Right throttle | 1 | 7/96 | 13 54 1 341 686 | 1 | ||
| 1 | Left throttle | 1 | 7/96 | 13 54 1 342 269 | 1 | ||
| 1 | Right throttle | 1 | 7/96 | 13 54 1 342 270 | 1 | ||
| 2 | Throttle position sensor | 1 | 13 63 1 461 852 | 1 | |||
| 3 | Fillister head M5x20 | 5 | 12 13 2 322 416 | ||||
| 4 | Wave washer B5 | 2 | 07 11 9 932 098 | ||||
| 5 | Inlet manifold left | 1 | 11 61 1 340 769 | 1 | |||
| 5 | Intake manifold right | 1 | 11 61 1 340 770 | 1 | |||
| 6 | Bolt M6x20 | 4 | 11 13 1 460 677 | ||||
| 7 | Hose clamp D=62 | 2 | 13 72 1 338 651 | ||||
| 8 | Injection valve | 2 | 13 64 1 341 352 | 1 | |||
| 9 | O-ring 7,8x3,6 | 2 | 13 64 1 286 708 | ||||
| 10 | Clamp, only applies to | 2 | 5/94 | 13 53 1 274 729 | |||
| -- | Fuel distributor | X | 5/94 | 13 53 1 340 997 | 1 | ||
| 10 | Clamping spring, only applies to | 2 | 5/94 | 13 53 1 341 697 | |||
| -- | Fuel distributor | X | 5/94 | 13 53 1 341 076 | 1 | ||
| -- | Fuel distributor | X | 5/94 | 13 53 1 341 539 | E | ||
| 11 | Retainer spring | 2 | 13 64 1 340 958 | ||||
| 12 | Wave washer B5 | 2 | 07 11 9 932 098 | ||||
| 13 | Covering left | 1 | 13 54 1 341 589 | ||||
| 14 | Protection cap | 2 | 13 54 1 460 594 | ||||
| 15 | O-ring 52x2 | 2 | 13 54 1 341 797 | ||||
| 16 | Hose clamp | 2 | 12 12 2 306 327 | ||||
| 17 | Cap | 2 | 12 12 2 306 326 | ||||
| 18 | Adjusting screw | 2 | 13 54 1 342 074 |
| Description | Qty | Inst | Exp | Partnumber | R | |
| 1 | Control unit Motronic | 1 | 13 61 1 341 925 | 1 | ||
| 1 | Suppressed control unit (only applies to authorities) | 1 | 13 61 1 342 213 | 1 |
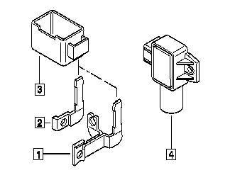
| Description | Qty | Inst | Exp | Partnumber | R | |
| 2 | Bracket | 1 | 13 62 1 341 658 | |||
| 3 | Bracket | 1 | 13 62 1 341 660 | |||
| 4 | CO adjust potentiometer | 1 | 13 62 1 461 425 | 1 |
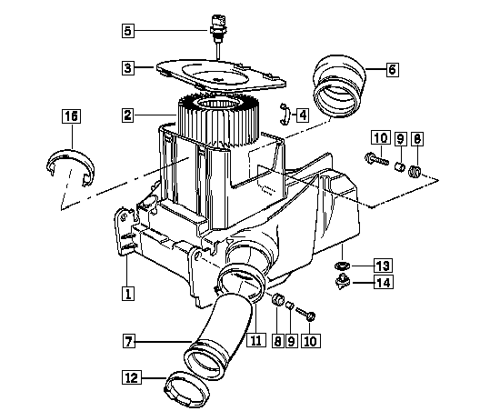
| Description | Qty | Inst | Exp | Partnumber | ||
| 1 | Air cleaner housing | 1 | 13 71 1 341 527 | 1 | ||
| 2 | Air filter element | 1 | 13 71 1 341 528 | |||
| 2 | Air filter element 57kw/78HP | 1 | 13 71 1 341 704 | |||
| 3 | Cover | 1 | 13 71 1 341 208 | |||
| 4 | Retainer spring L=34mm | 2 | 13 71 1 707 044 | |||
| 5 | Temperature sensor air | 1 | 13 62 1 341 550 | 1 | ||
| 6 | Rubber grommet | 2 | 13 71 1 341 317 | |||
| 7 | Intake manifold left | 1 | 13 71 1 341 405 | |||
| 7 | Intake manifold right | 1 | 13 71 1 341 406 | |||
| 7 | Intake manifold left SWISS | 1 | 13 71 1 340 865 | |||
| 7 | Intake manifold right SWISS | 1 | 13 71 1 340 866 | |||
| 8 | Rubber grommet | 3 | 31 42 1 236 240 | |||
| 9 | Bush | 3 | 31 42 1 236 241 | |||
| 10 | Fillister head screw | 3 | 18 22 1 464 332 | |||
| 11 | Hose clamp D=66 | 2 | 13 31 1 460 941 | |||
| 12 | Hose clamp D=58 | 2 | 13 72 1 338 650 | |||
| 13 | O-ring | 1 | 13 71 1 340 778 | |||
| 14 | Blind plug | 1 | 13 71 1 340 752 | |||
| 15 | Clamp | 1 | 13 71 1 341 920 |